Ingeniería y Diseño

Lograr mejores proyectos mediante una mejor ingeniería.

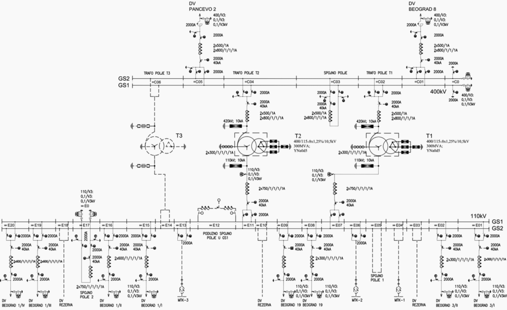
IDS ofrece soluciones integrales para el diseño de sistemas de control,  protecciones y medidas. Estos sistemas resultan fundamentales para asegurar una operación confiable, minimizar riesgos de falla y salvaguardar tanto los equipos como al personal.

Nuestro alcance abarca desde la asesoría técnica especializada en etapas tempranas del proyecto hasta la revisión exhaustiva de ingenierías desarrolladas por terceros, verificando el cumplimiento normativo, la calidad del diseño y su coherencia funcional.

 

El proceso de ingeniería que desarrollamos contempla el diseño detallado de esquemas de control y protección, la selección y configuración de dispositivos, la definición de topologías de comunicación, sistemas de automatización y todos los elementos asociados a los sistemas secundarios de subestaciones. Asimismo, elaboramos y validamos planos constructivos, listas de materiales, especificaciones técnicas, matrices de cableado, diagramas funcionales y la documentación necesaria para materializar soluciones confiables, seguras y trazables.

Nuestra participación puede extenderse a lo largo de todo el ciclo del proyecto: desde la definición de requerimientos y el desarrollo de la ingeniería de detalle, hasta el acompañamiento durante la instalación, la puesta en servicio y las pruebas funcionales. Este enfoque integral permite a nuestros clientes reducir riesgos, optimizar recursos y asegurar el cumplimiento de los más altos estándares de calidad y seguridad.

La experiencia acumulada en proyectos de alta complejidad nos permite abordar desafíos como la integración de tecnologías emergentes, la incorporación de sistemas digitales, la modernización de subestaciones existentes y la transición hacia arquitecturas más seguras y automatizadas, siempre con un enfoque orientado al cumplimiento normativo, la eficiencia y la confiabilidad operativa.

Cuéntanos más sobre tus necesidades específicas

Contacta con un experto líder en tu sector y concierta una consulta detallada sobre tu proyecto.

Derechos Reservados © IDS - Ingeniería de Subestaciones | Diseño Web por Lado Norte